
تاريخ الفيزياء

علماء الفيزياء


الفيزياء الكلاسيكية

الميكانيك

الديناميكا الحرارية


الكهربائية والمغناطيسية

الكهربائية

المغناطيسية

الكهرومغناطيسية


علم البصريات

تاريخ علم البصريات

الضوء

مواضيع عامة في علم البصريات

الصوت


الفيزياء الحديثة


النظرية النسبية

النظرية النسبية الخاصة

النظرية النسبية العامة

مواضيع عامة في النظرية النسبية

ميكانيكا الكم

الفيزياء الذرية

الفيزياء الجزيئية


الفيزياء النووية

مواضيع عامة في الفيزياء النووية

النشاط الاشعاعي


فيزياء الحالة الصلبة

الموصلات

أشباه الموصلات

العوازل

مواضيع عامة في الفيزياء الصلبة

فيزياء الجوامد


الليزر

أنواع الليزر

بعض تطبيقات الليزر

مواضيع عامة في الليزر


علم الفلك

تاريخ وعلماء علم الفلك

الثقوب السوداء


المجموعة الشمسية

الشمس

كوكب عطارد

كوكب الزهرة

كوكب الأرض

كوكب المريخ

كوكب المشتري

كوكب زحل

كوكب أورانوس

كوكب نبتون

كوكب بلوتو

القمر

كواكب ومواضيع اخرى

مواضيع عامة في علم الفلك

النجوم

البلازما

الألكترونيات

خواص المادة


الطاقة البديلة

الطاقة الشمسية

مواضيع عامة في الطاقة البديلة

المد والجزر

فيزياء الجسيمات


الفيزياء والعلوم الأخرى

الفيزياء الكيميائية

الفيزياء الرياضية

الفيزياء الحيوية

الفيزياء والفلسفة

الفيزياء العامة


مواضيع عامة في الفيزياء

تجارب فيزيائية

مصطلحات وتعاريف فيزيائية

وحدات القياس الفيزيائية

طرائف الفيزياء

مواضيع اخرى
خصائص الثايرستور
المؤلف:
جهاد دريد / عثمان إرفاعية / باسل عبد الحق / يوسف شقير / إبراهيم محمود
المصدر:
الالكترونيات الصناعية
الجزء والصفحة:
ص5–7
2023-08-12
2430
يكون الثايرستور في إحدى ثلاث حالات تحدد بواسطة عناصر ومتغيرات الدارة وهي:
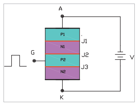
منطقة الحجز العكسي:
يكون جهد المصعد (A) سالبا بالنسبة للمهبط (K)، كما في الشكل (4) وعليه تكون الوصلة إل في حالة انحياز أمامي بينما تكون الوصلتان J3و J1 في حالة انحياز عكسي مما يجعلهما تمانعان مرور التيار من المهبط إلى المصعد، ولا يمر في الثايرستور سوى تيار صغير جداً يعرف بتيار التسرب العكسي الذي يعتمد على درجات الحرارة.
وإذا زاد فرق الجهد المسلط على طرفي الثايرستور عن قيمة معينة تعرف بجهد الانهيار العكسي (VR) فإن تياراً عكسياً عالي القيمة يمر فيه بشكل مفاجئ قد يؤدي إلى تلفه.

شكل (4)
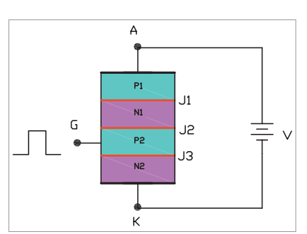
منطقة الحجز الأمامي:
يكون جهد المصعد موجباً بالنسبة لجهد المهبط وبفرق جهد أقل من جهد محدد يعرف بجهد الانهيار الأمامي، كما في الشكل (5) حيث تكون الوصلتان J3 و J1في حالة انحياز أمامي، في حين تكون الوصلة J2 في حالة انحياز عكسي ذات مقاومة عالية، حيث تعيق مرور التيار، فلا يمر سوى تيار صغير جداً يعرف بتيار التسرب الأمامي، فيكون الثايرستور في حالة الحجز الأمامي على فرض أن تيار البوابة يساوي صفر.

شكل (5)
منطقة التوصيل الأمامي:
إذا زاد فرق الجهد على طرفي الثايرستور عن جهد الانهيار الأمامي فإن مقاومة الوصلة لا تقل مما يسمح للتيار بالمرور خلال الثايرستور، ويرافق زيادة التيار نقصان في الجهد على طرفي الثايرستور إلى أن يصل إلى 2V تقريباً، وفي هذه المنطقة يتصرف الثايرستور كمقاومة سالبة، كما في الترانزستور أحادي الوصلة. وينتقل عندها إلى منطقة التوصيل الأمامي، نلاحظ هنا أن بإمكان الثايرستور الانتقال إلى منطقة التوصيل الأمامي دون الحاجة إلى البوابة. ولكن ما دور البوابة في الثايرستور؟
إن حقن تيار (قدح) على طرف البوابة المتصلة إلى منطقة الوصلة إل (المنحازة عكسيا) يعمل على تقليل مقاومتها، حيث تسمح بمرور التيار من المصعد إلى المهبط عند جهد انهيار أمامي اقل من جهد الانهيار الأمامي الاسمي، ويتناسب تيار البوابة عكسيا مع جهد الانهيار الأمامي.
في تطبيقات التحكم التي تستخدم الثايرستور يكون الجهد المطبق أقل من جهد الانهيار الاسمي، حيث يترك مجال للتحكم بعملية الوصل بواسطة البوابة التي تفقد تأثيرها حال انتقال الثايرستور إلى حالة الوصل.
فصل الثايرستور:
إذا كان الثايرستور في منطقة التوصيل فإنه لا يمكن إعادته إلى منطقة الحجز الأمامي أو منطقة الحجز العكسي بواسطة البوابة، ويمكن إطفاؤه بتقليل التيار المار فيه عن قيمة محددة تعرف بتيار الاستمرار بالتوصيل (Holding Current) ويطلق على عملية تحويل الثايرستور من الوصل إلى الفصل بعملية التبديل (Commutation). وهذه الخاصية تجعله ملائماً لتطبيقات التحكم في دارات التيار المتناوب؛ لأن الجهد المتناوب يهبط إلى الصفر بشكل طبيعي، وبذلك يتم إطفاء الثايرستور تلقائيا.
تيار الإمساك (البدء بالتوصيل) (Latching Current IL):
ويعبر عن قيمة تيار المصعد الذي يتحول عنده الثايرستور من منطقة الحجز الأمامي إلى منطقة التوصيل الأمامي. وقيمته تتناسب عكسياً مع تيار البوابة، وأعلى قيمة له عندما يكون 0 = IG.
تيار الاستمرار بالتوصيل Ih) Holding Current):
ويعبر عن قيمة تيار المصعد التي يتحول عندها الثايرستور من منطقة التوصيل الأمامي إلى منطقة الحجز الأمامي.
تيار القدح (lGT):
ويعبر عن قيمة تيار البوابة اللازم لقدح الثايرستور من منطقة الحجز الأمامي إلى منطقة التوصيل الأمامي ويبين الشكل (6) منحنى الخصائص للثايرستور.

الشكل (6)
قدح الثايرستور:
يقصد بالقدح نقل الثايرستور من منطقة الحجز الأمامي إلى منطقة التوصيل الأمامي.
الاكثر قراءة في الألكترونيات
اخر الاخبار
اخبار العتبة العباسية المقدسة
الآخبار الصحية

قسم الشؤون الفكرية يصدر كتاباً يوثق تاريخ السدانة في العتبة العباسية المقدسة
"المهمة".. إصدار قصصي يوثّق القصص الفائزة في مسابقة فتوى الدفاع المقدسة للقصة القصيرة
(نوافذ).. إصدار أدبي يوثق القصص الفائزة في مسابقة الإمام العسكري (عليه السلام)