

الجغرافية الطبيعية


الجغرافية الحيوية

جغرافية النبات

جغرافية الحيوان

الجغرافية الفلكية

الجغرافية المناخية

جغرافية المياه

جغرافية البحار والمحيطات

جغرافية التربة


جغرافية التضاريس

الجيولوجيا

الجيومورفولوجيا


الجغرافية البشرية


الجغرافية الاجتماعية

جغرافية السكان


جغرافية العمران

جغرافية المدن

جغرافية الريف

جغرافية الجريمة

جغرافية الخدمات


الجغرافية الاقتصادية

الجغرافية الزراعية

الجغرافية الصناعية

الجغرافية السياحية

جغرافية النقل

جغرافية التجارة

جغرافية الطاقة

جغرافية التعدين

الجغرافية التاريخية

الجغرافية الحضارية

الجغرافية السياسية و الانتخابات

الجغرافية العسكرية

الجغرافية الثقافية

الجغرافية الطبية

جغرافية التنمية

جغرافية التخطيط

جغرافية الفكر الجغرافي

جغرافية المخاطر

جغرافية الاسماء

جغرافية السلالات

الجغرافية الاقليمية

جغرافية الخرائط


الاتجاهات الحديثة في الجغرافية

نظام الاستشعار عن بعد

نظام المعلومات الجغرافية (GIS)

نظام تحديد المواقع العالمي(GPS)

الجغرافية التطبيقية

جغرافية البيئة والتلوث

جغرافية العالم الاسلامي

الاطالس

معلومات جغرافية عامة

مناهج البحث الجغرافي
مخطط السياج (Fence diagram)
المؤلف:
أ. د. فاروق صنع الله العمري
المصدر:
مبادئ علم الطبقات
الجزء والصفحة:
ص 166 ـ 170
2026-01-26
33
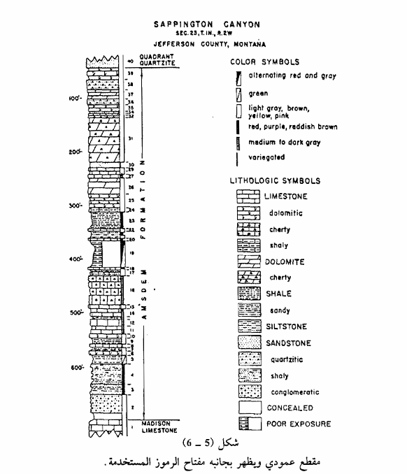
إن اتجاهين أو أكثر لمقاطع عمودية يمكن أن ترسم وذلك بتنظيمها حسب مقاطع عمودية مختلفة، وترسم بينها خطوط المضاهاة ، كما أن المسافات بين مواقع المقاطع العمودية تملأ بالصخور التي تمثلها بدلاً من تركها خطوطاً لوحدها كما في الشكل السابق (5 ـ 6) و (5 ـ 7) وحين إكمال الرسم يظهر لنا شكل يشبه السياج الخارجي الذي يحيط بأرض منبسطة، لذا فقد أطلق على هذه الأنماط من الخرائط الطباقية اسم مخطط سياج Fence diagram. وهذه الخريطة تعطي فكرة عن المنطقة برمتها ولكنها تفتقر إلى التفصيلات الدقيقة لاحظ في الشكل المذكور طريقة رسم مقياس الرسم الأفقي أسفل الشكل والعمودي إلى الجانب وهناك أنواع أخرى من الخرائط الطباقية الطلبة بإنجازها خلال المادة العملية لمادة الطبقية وكذلك الترسيبية ومنها خرائط السحنة وخرائط السماكة المتماثلة.


الاكثر قراءة في الجيولوجيا
اخر الاخبار
اخبار العتبة العباسية المقدسة
الآخبار الصحية

قسم الشؤون الفكرية يصدر كتاباً يوثق تاريخ السدانة في العتبة العباسية المقدسة
"المهمة".. إصدار قصصي يوثّق القصص الفائزة في مسابقة فتوى الدفاع المقدسة للقصة القصيرة
(نوافذ).. إصدار أدبي يوثق القصص الفائزة في مسابقة الإمام العسكري (عليه السلام)