

علم الكيمياء

تاريخ الكيمياء والعلماء المشاهير

التحاضير والتجارب الكيميائية

المخاطر والوقاية في الكيمياء

اخرى

مقالات متنوعة في علم الكيمياء

كيمياء عامة


الكيمياء التحليلية

مواضيع عامة في الكيمياء التحليلية

التحليل النوعي والكمي

التحليل الآلي (الطيفي)

طرق الفصل والتنقية


الكيمياء الحياتية

مواضيع عامة في الكيمياء الحياتية

الكاربوهيدرات

الاحماض الامينية والبروتينات

الانزيمات

الدهون

الاحماض النووية

الفيتامينات والمرافقات الانزيمية

الهرمونات


الكيمياء العضوية

مواضيع عامة في الكيمياء العضوية

الهايدروكاربونات

المركبات الوسطية وميكانيكيات التفاعلات العضوية

التشخيص العضوي

تجارب وتفاعلات في الكيمياء العضوية


الكيمياء الفيزيائية

مواضيع عامة في الكيمياء الفيزيائية

الكيمياء الحرارية

حركية التفاعلات الكيميائية

الكيمياء الكهربائية


الكيمياء اللاعضوية

مواضيع عامة في الكيمياء اللاعضوية

الجدول الدوري وخواص العناصر

نظريات التآصر الكيميائي

كيمياء العناصر الانتقالية ومركباتها المعقدة


مواضيع اخرى في الكيمياء

كيمياء النانو

الكيمياء السريرية

الكيمياء الطبية والدوائية

كيمياء الاغذية والنواتج الطبيعية

الكيمياء الجنائية


الكيمياء الصناعية

البترو كيمياويات

الكيمياء الخضراء

كيمياء البيئة

كيمياء البوليمرات

مواضيع عامة في الكيمياء الصناعية

الكيمياء الاشعاعية والنووية
طرق الديأزة في تنقية المياه
المؤلف:
GEORGE T . AUSTIN
المصدر:
SHREV ‘ S CHEMICAL PROCESS INDUSTRIES
الجزء والصفحة:
ص 64
8-6-2016
2998
طرق الديأزة في تنقية المياه.
لإزالة الملوحة من المياه ذات المحتوى العالي من الأملاح ، ولذلك يجب استخدام طرق أخرى .
تستخدم حاليا في الولايات المتحدة طريقتان رئيسيتان هما الديأزة بالكهرباء Electro Dialysis والتناضح العكسي Reverse Osmosis واستخدمت كثيرا من الطرق الأخرى بما فيها التبخير الوميضي المتعدد المراحل Multistage Flash Evaporation والتبخير الأنبوبي العمودي Vertical Tube Evaporation وإنضغاط البخار vapor compression وانضغاط البخار بالتجميد الهوائي عند ضغط منخفض Vacuum- Freeze Vapor Compression .
لقد أسهم ارتفاع كلفة التسخين في استمرار التحول من المنشآت الحرارية إلى منشآت التناضح العكسي . ومع ذلك يمثل انتشار المنشآت الحرارية على الصعيد العالمي 80 % من إجمالي منشآت إزالة الملوحة .
تنخفض الكلفة العادية لإزالة الملوحة بالتناضح العكسي إلى أقل من 20 - 30 % عن مثيلتها في الوحدات الحرارية وينهمك مبتكرو المعالجات الحرارية في محاولة لتحسين بحوثهم الاقتصادية . وتعمل إحدى أحدث هذه الطرق للجمع بين التبخير الأنبوبي العمودي وبين انضغاط البخار وزيادة معدل الأداء Performance Ratio (PR) من 21 الى 42 . كما ويصل معدل الأداء في العمليات بالتبخير الومضي المتعدد المراحل عاده إلى 14 ، وفي التناضح العكسي إلى 24 .
معدل الأداء هو عدد الكيلو غرامات من الناتج لكل كيلو غرام واحد من بخار التسخين ، أو المكافئ لمعدل الأداء في حالة العملات بالتناضح العكسي .
تنشط كثر من بلدان الشرق الأوسط في إقامة منشآت لإزالة الملوحة . وقدر مكتب أبحاث وتكنولوجيا الماء التابع للأمم المتحدة أن إجمالي القدر. التي انشأث في عام 1978 وصل إلى 2× 6 10م3 يوم وسوف تصل إلى 20× 6 10م3 يوم في عام 2000 . تستخدم في العصر الحاضر كافة طرق المعالجة ولكن معظم المنشآت التي تبنى حالا هي من نموذج وحداث التناضح العكسي .
إن أكبر منشأة لإزالة الملوحة في العالم هي التي أقيمت في يوما Yuma وفي أريزونا تنفيذا للمعاهدة بين الولايات المتحدة والمكسيك ، والتي قضت أن لا يزيد محتوى الملح في نهر كولورادو عند دخوله المكسيك عن 115 ملغ / ل فوق معدل ملوحة الماء الخارج من السد الإمبراطوري الذي أقيم في مكان أبعد باتجاه أعالي النهر . ونصت المعاهدة أيضاً على التزام الولايات المتحدة بأن توصل الى المكسيك ما مقداره 17.3 × 6 10م3 من الماء سنوياً . يستخدم نهر كولورادو عند السد الإمبراطوري لسقاية الأراضي في وادي نهر جيلا Gila ، وعندما يصرف هذا الماء عائداً الى النهر والذي يصل إجمالي محتواه من المواد الصلبة المنحلة الى 3200 PPM ، فيرفع هذا الماء ملوحة مياه النهر الى حوالي 1500 PPM مما يجعلها غير صالحة للاستخدام الزراعي .
لابد أن تكون هذه المنشأة من نموذج وحدة التناضج العكسي وتصمم لإنتاج 360000 م3 / يوم من الماء الذي لا يزيد محتواه من المواد الصلبة المنحلة عن 283 PPM . تمزج هذه المياه بمياه خام لتضيف ما مقداره 14.8 × 6 10م3 / سنة إلى نهر كولورادو عند دخوله إلى المكسيك ، مما يتيح للولايات المتحدة الوفاء بالتزاماتها .
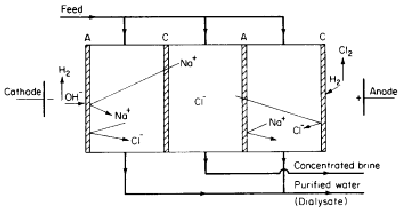
تستخدم الديأزة بالكهرباء (ED) أغشية للتبادل الأيوني في مجال كهربائي وتعتمد على واقع أنه ، عندما يمر تيار كهربائي مستمر عبر المياه الملحية في سلسلة من أغشية مبادل الكاتيونات ومبادل الأنيونات المتباعدة بدقة والمتوضعة على التناوب ، تمر الكاتيونات عبر أغشية مبادل الكاتيونات والأنيونات عبر أغشية مبادل الأنيونات ، مما يؤدي إلى خفض الملوحة في حيز واحد وزيادتها في الحيز التالي ، وهكذا عبر كامل الحزمة stack ( الصورة 1 - 1 ) . ويمكن التخلص من المياه ذات الملوحة الزائدة بتطريفها ، كما يمكن إعادة المياه ذات الملوحة المنخفضة للدوران عبر حزمة أو سلسلة من الحزم . لا تزيل هذه العمليات كل المعادن من المياه ، بل تختزل الملوحة في المياه الضاربة إلى الملوحة بحيث تجعلها قابلة للشرب ولاستخدامات عامة . قد تتراوح إزاله الأيونات من % 60 – 20 في الحزمة stack . هناك معالجة جديدة محسنة تعكس قطبية الإلكترودات دوريا وتتبادل تيارات الناتج والنفاية في وقت واحد. واستنادا إلى ما يقوله المصنعون فإن هذا النظام يمنع تشكل قشرة كربونات وكبريتات الكلسيوم .
يستخدم التناضح العكسي (RO ) تطبيق ضغط أعلى من الضغط التناضحي لإجبار المياه النقية لعبور غشاء نصف نفوذ من المحلول الملحي . وهذا نقيض للظاهرة التناضحية العادية التي يجري الماء فيها عبر غشاء من التركيز الأدنى إلى محلول ذي تركيز أعلى . أصبح استخدام التناضح العكسي عملياً بسبب تطور الأغشية الخاصة . وهناك نوعين من الأغشية : كحزمة من المسامات الشعرية ناعمة جدا ، أو كصفائح ملفوفة لولبيا . وقد تكون المادة الغشائية أسيتات السليولوز ( وهي أفضل للمياه الضاربة إلى الملوحة ) أو البولي أميدات Polyamides (وهي الأفضل لمياه البحر ) .

